Controlled Door Solutions Ltd. - Security Door Solutions Canada
Controlled Door Solutions Ltd. - Security Door Solutions Canada
Controlled Door Solutions works with our channel partners and manufacturers to offer clients the best door security solutions and applications in Canada.
Our manufacturers provide only top quality products. Let us show you how we can help solve your most demanding challenges.

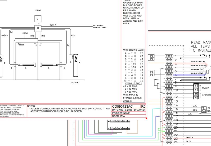
We have the door security solution experience, and expertise to provide professional door elevation drawings and termination diagrams for the most complex systems. Wiring and Schematic diagrams for all manufacturers products are offered including solutions that need more than one manufacturer. All drawings are completed by a certified EHC (DHI).
- To view catalogue pages for door elevation drawings or termination diagrams, or to fill drawing order forms click on the file name and the PDF will open in a new tab.
- Once you have completed filling out an order form, print it as a PDF and email to info@controlleddoor.com.
- To save a copy of a file to your computer click on the "Download" link on the right hand side.

Your next door security solution project deserves professionally designed and built System Integration Points. Our "S I P" boxes will ensure that all of the electronic security door hardware components will connect together and operate how your end user needs them to. Each SIP box includes custom door elevation drawings, and termination diagrams.
This is as "Plug-And-Play" as it gets!

CD-001DK, Drawings Kit, Includes Door Elevation Drawings and Termination (Point to Point ) Diagram for one opening.
CD-002SIP, Custom Built System Integration Point, Includes 10"x10"x4" Cabinet, with pre-wired-configured back panel, c/w Terminal Strips, and Door Elevation Drawings and Termination Diagrams for one opening.